| 防伪码: | QQZXrV7tw1rsicmolUH783 |
|---|
LJ3051TG智能直接安装式压力变送器
LJ3051TG智能直接安装系列压力变送器是采用成熟的金属电容式传感器与美国传感器作为敏感元件,组装而成的一种高性能价格比的工业通用压力变送器。它具有性能稳定可靠、结构坚固紧凑等特点,在对压力测量要
Description
LJ3051TG智能直接安装系列压力变送器是采用成熟的金属电容式传感器与美国传感器作为敏感元件,组装而成的一种高性能价格比的工业通用压力变送器。
它具有性能稳定可靠、结构坚固紧凑等特点,在对压力测量要求较高的石油化工、电站、水处理、食品加工及其它工业场合有着广泛的应用,并在行业内享有很高的声誉。
LJ3051TG型直接安装式压力变送器(表压)
测量范围:zui小压力0.935KPa-zui大压力35000KPa。
使用对象:液体、气体和蒸气。
输出:智能型,符合HART通信协议,4~ 20mADC

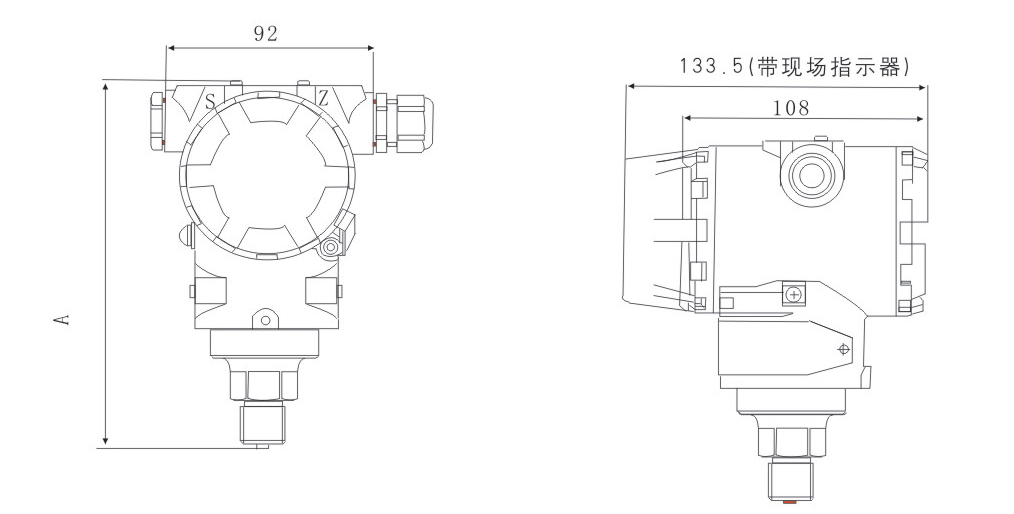
量程代码4、5、6变送器A= 170mm
量程代码8、9、10变送器A=185mm
图LJ3051TG智能直接安装式压力变送器外形尺寸图
LJ3051智能直接安装式压力变送器型号及规格代号表

浏览:

