| 防伪码: | QQZXfS1WzzLUICtlY5n342 |
|---|
YZS-102双针压力表
概述YZS-102双针压力表主要适用于机车车辆上用来测量液压系统或储气缸的确良压力,亦可用于对铜合金锡铅合金锡铅合金钎焊无腐蚀性,非结品和凝固的种介质的压力测量。仪表可同时测量两个相同或不相同(两者
Description
概述
YZS-102双针压力表主要适用于机车车辆上用来测量液压系统或储气缸的确良压力,亦可用于对铜合金锡铅合金锡铅合金钎焊无腐蚀性,非结品和凝固的种介质的压力测量。
仪表可同时测量两个相同或不相同(两者之差般应不大于标度范围上的限值的1/3)的压力。
工作原理
仪表由两套各自独立的测量系统和指示装置等组成。仪表的工作原理是基于弹性元件(测量系统中的弹簧管)的弹性变形。即在被测介质的压力作用下,迫使两弹管之末端各自产生相应的位移,借助于拉杆经齿轮传动机构的传动并予放大,由固定于齿轮轴上的红、黑指针逐将两个被测量值分别在盘度上指示出来。
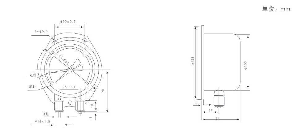
外形尺寸

主要技术指标

浏览:
上一篇:YBS-100系列数字压力表
下一篇:YEJ-101/121矩形膜盒压力表

