| 防伪码: | QQZX1vOMAqGn1G6IaDo531 |
|---|
Y-M系列隔膜压力表
Description
概述
为使通用型压力仪表能适用于测量强腐蚀、高温、高粘度、易结晶、易凝固、有固体浮游物的介质压力以及须避免测量介质直接进入通用型压力仪表和防止沉淀物积聚且易清洁的场合,应须采用由隔膜隔离器与通用型压力仪表组成一个系统的隔膜表。
隔膜表主要用于石油化工、制碱、化纤、染化、制药、食品和制酪等工业部门生产过程中测量流体介质压力之用。
构成示意图

结构原理
隔膜压力表由各种通用型压力仪表和不同结构的隔膜隔离器组成一个封闭系统,内充密封液。当被测介质的压力作用于隔膜时,则隔膜产生变形,压缩封闭系统中的密封液。由于密封液的固有性质,使压力仪表中的弹性元件产生相应在的弹性变形一位移,经指示装置显示压力值。当隔膜的刚度足够小时,则压力仪表指示的压力就近于被测介质的压力值。
型号表示

型号标记示例
Y- 100B/ SR/MF (A)/316/4Mpa/50-4.0HGJ46通用仪表为Y-100B不锈钢压力表,连接形式为SR散热式,采用敞开式凸面法兰MF,隔离器(法兰)材料为碳钢,膜片材料316不锈钢,测量范围0~4MPa,法兰标准50-4.0HGJ46。
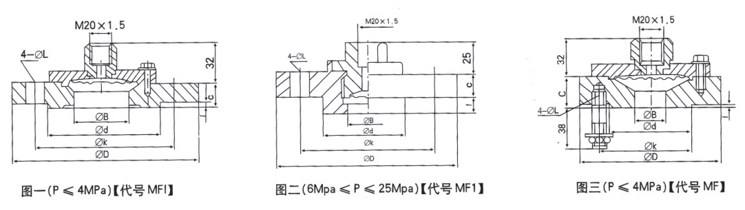
隔膜装置法兰尺寸
1、敞开式凸面法兰

均可按用户提供或指定的法兰标准尺寸制造

2、工字形凸面法兰

※均可按用户提供或指定的法兰标准尺寸制造。
3、螺丝接头式[代号ML]量程上限值:≤60 Mpa (见图五)
4、螺栓式隔膜隔离器[代号MZ]测量范围: 1~25MPa隔膜和隔膜座材料: 0Cr17ni12Mo2[316] (见图六)
5、卡箍式隔膜隔离器[代号MC]
6.螺母式隔膜隔离器[代号MN]
7、矩形法兰式隔膜隔离器[代号MH]

外形尺寸


