| 防伪码: | QQZXec4iqiLvgkClqWG812 |
|---|
LJ-UQC80系列磁翻转液位计
Description
LJ-UQC80系列磁翻转液位计是一种结构简单,控制功能齐全、维修方便、指示直观醒目,耐腐蚀能好(采用多种防腐材料),可用于易燃易爆场所,广泛适用于石油、化工、电力、染化、食品、锅炉等行业。该系列液位计的基本型带现场指示,基本型配上报警装
置可实现液位或界面的上下限报警或控制、连锁;与远传变送装置配合可以实现远距离显示或控制,其4~20mA标准信号可以与二次表直接匹配,实现各种显示控制功能。
工作原理
LJ-UQC80系列磁翻转液位计由磁性指示器和浮球两部分组成。磁性指示器由装有小磁钢的红白相间的磁翻柱及护板等组成。装有磁钢的浮球随液体上下移动时,磁翻柱随之翻转,从而指示液面的高度。当需要变送输出时,安装一个平行于磁性指示器的干簀管变送器,便可实现4~20mA或0~10mA电流信号远传输出。
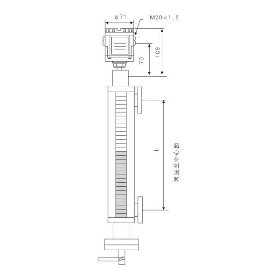
结构示意图

技术指标
测量范围: 300~ 3000mm
现场指示精度:土 10mm
公称压力:≤4. OMPa
介质温度: - 20~200°C
介质密度:≥0. 45g/cm' (液位测量)
环境温度: - -20~70°C (带 变送时)
环境湿度:<95%RH
电气接口: M20x1. 5内螺纹
供电电源: 24V .DC士10%: 220V . AC土10%.50HZ
输出信号: 4~20mA. DC
触点容量: 24V .DC/3A; 220V . AC/2A
负载电阻:≤500Q
防护等级: IP65
防爆等级: ib IICT4
LJ-UQC80系列磁翻转液位计选型表


