| 防伪码: | QQZX193Ab2sxAO8gvXf288 |
|---|
YTZ-150电阻远传压力表
Description
概述
电阻远传压力表适用于测量对钢及铜式合金不起腐蚀作用的液体、蒸汽和气体等介质的压力。因为在仪表内部设置一滑线电阻发式送器,故可把测量值以电量值传至远距离测量点的二次仪表上,以实现集中检测和远距离控制。此外,本仪表并能就地指示压力,以便于现场工艺检查。
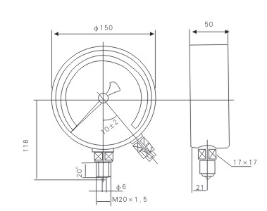
外形尺寸

与二次仪表XMY- 10压力数字显示仪及XMY-12压力数字显示控制仪配套的接线图
结构原理
本仪表有一个弹簧管压力和一个滑线电阻式发送器等所组成仪表机械部分的作用原理与一般弹簧管压力表相同。由于电阻发送器系设置在齿轮传动机构上,因此当齿轮传动机构中的扇形齿轮轴产生偏离时,电阻传送器的转臂(电刷)也相应地得以偏转,由于电刷在电阻器上滑行,使得被测压力值的变化换为电阻值的变化,而传至二次仪表上,指示出一相应的读数值。同时,一次仪表也指示出相应的压力值。
主要技术指标
jing确度等级: 1.6
发送器起始电阻值: 3~202
发送器满度电阻值: 340~400
发送器连接端①②外加电压不大于6V
滑线电阻式发送器接线图
使用环境条件: -40~60°C ,相对湿度不大于85%.
且震动和被测(控) 介质的急剧脉动应对仪表正常工作无明显影响。
湿度影响:使用温度偏离20士5°C时,其温度附加误差不大于0.4%/10°C.
重量: 1.2Kg


