| 防伪码: | QQZX9XaoaECKXO0ifR2168 |
|---|
CYW-152B/153B不锈钢差压表
Description
概述
CYW-152B及CYW-153B不锈钢差压表(以下简称仪表)适用于化工、化纤、冶金、电力、核电等工业部门的工艺流程中测量各种液(气)体介质的差压、流量等参数。仪表结构全部采用不绣钢制成,其中的测量系统(双波纹管及连接部件)、导压系统(包括接头、导管等)采用特种奥氏体不绣钢制成,具有较强的耐腐蚀及抗工作环境侵蚀影响。仪表整体结构设计合理、具有体积小、重量轻、稳定性好、使用寿命长、外观新颖、适应性强等优点。仪表接头的连接形式有平行式(可直接与三回阀组连接)和斜式两种,能够适应不同客户的配套安装。
工作原理
仪表采用双波纹管结构,即两只波纹管分别安装在“工”字型支架两侧的对称位置上,用“工”字型支架的上下两端分别为活动端和固定端,中间由弹簧片相连接;两只波纹管呈平行状态,分别用导管与表壳上的高低压接头相连接,齿轮传动结构直接安装在支架的固定端,并通过拉杆与支架的活动端相连接;盘则直接固定在齿轮传动机构上。
仪表的工作原理:基本感压元件采用两只具有相同刚度的波纹管,因此在同一被测介质下迫使其产生相同的集中力分别作用于活动支架上,由于弹簧片两侧在等力矩作用下不产生挠度,故支架还处于原始位置,这样齿轮传动机构也不动作,使指针仍指在零位。
当施加不同压力(一 般高压端高于低压端时),两波纹管作用在活动支架上的力则不相等,使分别产生相应的位移,并带动齿轮传动机构传动并予放大,由指针偏转后指示出两者之间的差压值。
主要技术指标
1、差压的测量范围、公称工作压力、精 确度等级及接头螺纹尺寸:

2、导压系统及外壳等材质

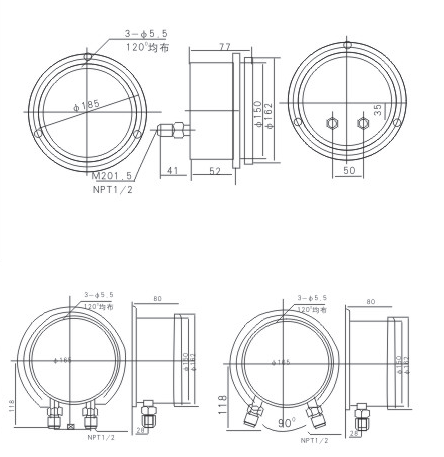
3、外型及安装尺寸:见图1、图2、图3

4、使用环境温度: -40~70C
5、抗工作环境振动: V.H. 3级

